Ma boutique
Etau pneumatique KSP100L - 20 kN
Etau pneumatique KSP100L - 20 kN
Impossible de charger la disponibilité du service de retrait
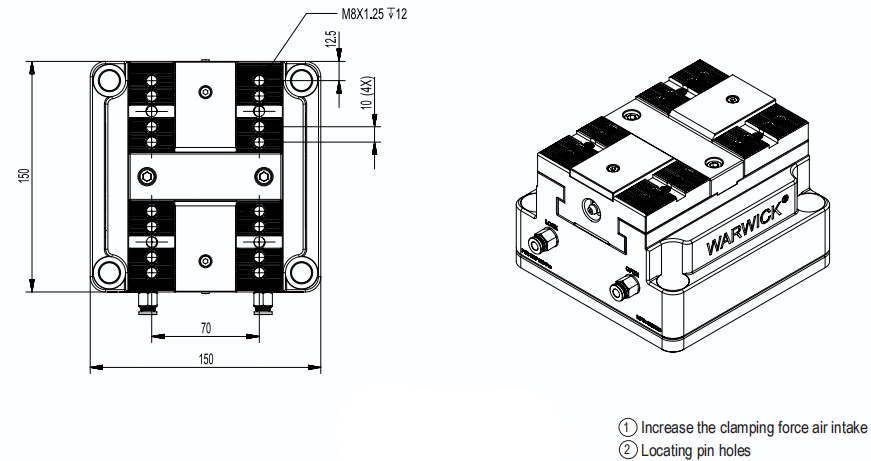
Étau pneumatique à centrage automatique KSP2-100L
L’étau pneumatique KSP2-100L est la version course longue et haute capacité de la gamme KSP2.
Il a été développé pour le serrage précis de pièces plus volumineuses, tout en conservant une rigidité maximale et une répétabilité industrielle ≤ 0,01 mm.
Par rapport au KSP-100 standard (15 kN), le KSP2-100L délivre jusqu’à 18 kN de force de serrage, assurant une stabilité parfaite en usinage intensif, même sur des cycles longs ou des opérations multi-axes.
Grâce à son mécanisme pneumatique sécurisé, 50 % de la force de serrage est maintenue en cas de coupure d’air, garantissant la sécurité de la pièce et de la machine.
Avantages clés
✔ Course longue – capacité de serrage étendue
✔ Centrage automatique haute précision
✔ Répétabilité ≤ 0,01 mm (tests industriels validés)
✔ Force de serrage supérieure : 18 kN à 6,8 bar
✔ Maintien de 50 % de la force sans air comprimé
✔ Aucun déplacement de la pièce lors du serrage
✔ Mâchoires modulaires – compatibles mors durs et mors doux
✔ Interface pour changements rapides
Caractéristiques techniques
Précision de répétabilité : ≤ 0,01 mm
Course totale : 16 mm
Force de serrage : 18 kN / 10 kN à 6,8 bar
Pression de fonctionnement : 4 à 9 bar
Réglage de la force : par pression d’air
Conception : compacte et rigide
Poids : 13 kg
Applications recommandées
Usinage 5 axes
Pièces plus larges ou plus longues
Séries moyennes à grandes
Environnements automatisés
Production nécessitant sécurité et répétabilité constante
Conception et architecture technique
1. Entraînement par système à coin
Assure une force de serrage élevée et constante tout au long de l’opération, même en conditions d’usinage intensives.
2. Corps de base trempé et extrêmement rigide
Conçu pour offrir une longévité accrue et une précision durable, y compris sous force de serrage maximale.
3. Système de lubrification optimisé
Garantit une efficacité maximale, réduit l’usure des composants internes et assure une performance stable dans le temps.
4. Guidage de mors allongé
Offre un support optimal aussi bien pour le serrage extérieur (O.D.) que pour le serrage intérieur (I.D.), améliorant la stabilité de la pièce.
5. Hauteur réduite
Conception basse permettant d’augmenter l’espace de travail disponible dans la machine et d’améliorer l’accessibilité outil.
6. Conception optimisée, peu sensible aux impuretés
Étanchéité spécifique limitant l’intrusion des copeaux et des fluides, garantissant une fiabilité élevée en environnement industriel.
7. Interface de mors standardisée
Compatible avec des mors standards et des mors rapportés, offrant une grande flexibilité d’utilisation.
8. Commande du module de serrage
Pilotage possible par le côté ou par le dessous, selon les contraintes d’intégration et d’automatisation.
