Ma boutique
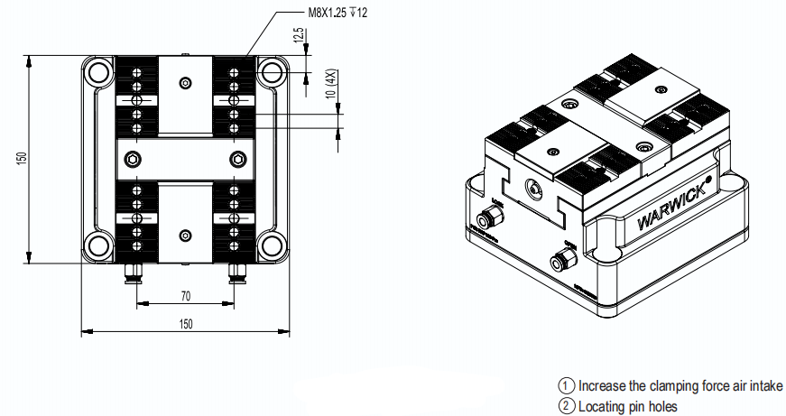
Etau pneumatique KSP100 - 20 kN
Etau pneumatique KSP100 - 20 kN
Impossible de charger la disponibilité du service de retrait
Étau pneumatique à centrage automatique KSP-100
Serrage automatisé haute précision pour la production CNC
Le KSP2-100 est un étau pneumatique à centrage automatique de nouvelle génération, conçu pour les environnements de production CNC exigeant précision, répétabilité et sécurité de process .
Par rapport aux générations précédentes, ce modèle offre une force de serrage renforcée et une stabilité accrue, le rendant parfaitement adapté aux opérations d'usinage intensifs, en ébauche comme en finition.
Grâce à son système pneumatique avancé, le serrage est rapide, homogène et parfaitement contrôlé , tout en conservant une partie de la force de serrage en cas de coupure d'air, garantissant ainsi la sécurité des pièces et du processus.
Une solution pensée pour la précision et la fiabilité en production
Le mécanisme d'entraînement spécifique empêche tout déplacement de la pièce pendant l'usinage, même sous efforts élevés.
La conception modulaire des mors permet une adaptation rapide aux différentes géométries de pièces, avec la possibilité d'utiliser des mors durs ou souples selon l'application.
Disponible en version standard ou à course longue , le KSP2-100 s'intègre facilement dans les cellules automatisées et les environnements CNC modernes.
Caractéristiques techniques
Conception compacte, idéale pour l'usinage multi-axes et l'automatisation
Précision de répétabilité ≤ 0,01 mm (validée par tests continus)
Force de serrage maximale : 18 kN
Force de serrage secondaire : 10 kN à 6,8 bar
Course totale : 5 mm / 16 mm selon version
Pression de fonctionnement : 4 à 9 bar
Force de serrage réglable directement par la pression d'air
Maintien d'environ 50 % de la force de serrage en cas d'interruption de l'alimentation pneumatique
Poids : 13 kg
Applications recommandées
Production CNC automatisée
Usinage de précision en série
Centres 3, 4 et 5 axes
Environnements nécessitant rapidité de serrage et sécurité process
Conception et architecture technique
1. Entraînement par système à coin
Assure une force de serrage élevée et constante tout au long de l’opération, même en conditions d’usinage intensives.
2. Corps de base trempé et extrêmement rigide
Conçu pour offrir une longévité accrue et une précision durable, y compris sous force de serrage maximale.
3. Système de lubrification optimisé
Garantit une efficacité maximale, réduit l’usure des composants internes et assure une performance stable dans le temps.
4. Guidage de mors allongé
Offre un support optimal aussi bien pour le serrage extérieur (O.D.) que pour le serrage intérieur (I.D.), améliorant la stabilité de la pièce.
5. Hauteur réduite
Conception basse permettant d’augmenter l’espace de travail disponible dans la machine et d’améliorer l’accessibilité outil.
6. Conception optimisée, peu sensible aux impuretés
Étanchéité spécifique limitant l’intrusion des copeaux et des fluides, garantissant une fiabilité élevée en environnement industriel.
7. Interface de mors standardisée
Compatible avec des mors standards et des mors rapportés, offrant une grande flexibilité d’utilisation.
8. Commande du module de serrage
Pilotage possible par le côté ou par le dessous, selon les contraintes d’intégration et d’automatisation.
